HF
Compression Driver
0.8"
075NCD
Code: 075NCDX8-015
Compression Driver/0.75inch/Neo/Polymer/20W/25.4mmVC/8ohm
Key Features
- High Sensitivity in very small body
- Lightweight, suitable for portable products
Quick Specs
Impedance
8 Ω
Program Power
40 W
Sensitivity
100.00 dB
Fs
2300.00 Hz
Magnet
Neodymium
Voice Coil
19 mm
Design Notes
The 075NCD compression driver is a high performance, high frequency device ideal for professional loudspeaker systems, high output hi-fi systems and after market car audio applications. The driver’s neodymium based magnetic circuit provides a robust, high force BL field, providing precision control of the Polyimide diaphragm assembly. The unit delivers the frequency response and high power handling through 0.75 inch exit throat.
Diaphragm Assembly
The driver features a 19mm Polyimide diaphragm formed as single piece with Polyimide suspension.
The dome is carefully attached to a high temperature Kapton voice coil former that withstands the long term power characteristics typically seen in professional applications. The acoustic output exits through a bullet phase plug and a 0.75 inch throat aperture. Nominal sensitivity is 109 dB 1watt / 1 meter.
Diaphragm Assembly
The driver features a 19mm Polyimide diaphragm formed as single piece with Polyimide suspension.
The dome is carefully attached to a high temperature Kapton voice coil former that withstands the long term power characteristics typically seen in professional applications. The acoustic output exits through a bullet phase plug and a 0.75 inch throat aperture. Nominal sensitivity is 109 dB 1watt / 1 meter.
Specifications
General Specs
Nominal Diameter
0.8"
Rated Impedance
8 Ohm
Magnet
Neodymium
Basket Material
Plastic
Power Handling
AES Power
20 W
Continuous Power
40 W
Peak Power
80 W
Voice Coil
Diameter
19 mm
Winding Wire
CCAW
Former
kapton
Winding Height
2.3 mm
T/S Parameters
Resonant Frequency (Fs)
2300.00 Hz
Re
7.00 \u2126
Sensitivity
100.00 dB
Design Details
Surround Material
PEN
Cone/Dome Material
PEN
T-Plate
2.9 mm
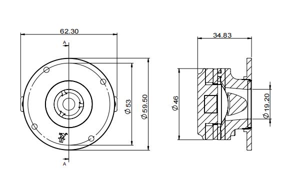
Overall Diameter
59.50 mm
Bolt Circle Diameter
53.00 mm
Mounting Holes
4
Depth (flange to rear)
35.00 mm
Net Weight
0.17 kg
Ordering Codes
Product Code
075NCDX8-015
Horn Exit
19 mm
Downloads
Frequency Response & Impedance
2D Drawing
Frequently Asked Questions
- - High Sensitivity in very small body
- - Lightweight, suitable for portable products
AES Power: 20 W,
Continuous: 40 W,
Peak: 80 W.
Sensitivity: 100.00 dB (1W/1m).