LF
Mid-Woofer
12"
12NPM
Code: 12NPMX8-054
Mid-Woofer/12inch/Neo/Paper/450W/8ohm
Key Features
- Carbon fiber loaded paper cone
- Very high efficiency
- Lightweight mechanical structure
Quick Specs
Impedance
8 Ω
Program Power
900 W
Sensitivity
98.00 dB
Fs
49.00 Hz
Magnet
Neodymium
Voice Coil
76 mm
Design Notes
The 12NPM is a high efficiency, (98 dB 1watt / 1 meter) 12-inch mid bass woofer with incredibly linear frequency response characteristics, extreme high power handling capability while generating low harmonic distortion artifacts.-
The 12NPM uses a lightweight carbon fiber loaded cone assembly along with a precision double roll constant geometry surround. This combination provides remarkable strength, high efficiency and a excursion linearity of 18.2mm.
Magnetic Circuit
REDCATT engineers have developed a lightweight, inside-neodymium slug based magnetic circuit capable of delivering the highest level of performance providing a consistent, high integrity magnetic flux gap, ultra low distortion characteristic and high efficiency cooling system. The magnetic circuit design is optimized to generate the minimum amount of flux modulation, providing exceptional stability.
The 12NPM uses a lightweight carbon fiber loaded cone assembly along with a precision double roll constant geometry surround. This combination provides remarkable strength, high efficiency and a excursion linearity of 18.2mm.
Magnetic Circuit
REDCATT engineers have developed a lightweight, inside-neodymium slug based magnetic circuit capable of delivering the highest level of performance providing a consistent, high integrity magnetic flux gap, ultra low distortion characteristic and high efficiency cooling system. The magnetic circuit design is optimized to generate the minimum amount of flux modulation, providing exceptional stability.
Specifications
General Specs
Nominal Diameter
12"
Rated Impedance
8 Ohm
Magnet
Neodymium
Basket Material
Aluminum
Power Handling
AES Power
450 W
Continuous Power
900 W
Peak Power
1800 W
Voice Coil
Diameter
76 mm
Winding Wire
CCAW
Former
Glass Fiber
Winding Height
18.6 mm
T/S Parameters
Resonant Frequency (Fs)
49.00 Hz
Re
4.70 \u2126
Qes
0.320
Qms
9.95
Qts
0.310
Vas
63.60 liters
Sd
531.00 cm\u00B2
Mms
65.60 grams
Rms
2.03
Cms
0.1610
Bl
17.30 T\u00B7m
Le
0.650 mH
Sensitivity
98.00 dB
Design Details
Surround Material
fabric
Cone/Dome Material
Paper GF
Spider
Nomex
T-Plate
10.5 mm
Xmax (peak)
4.05 mm
Xmech
14.55 mm
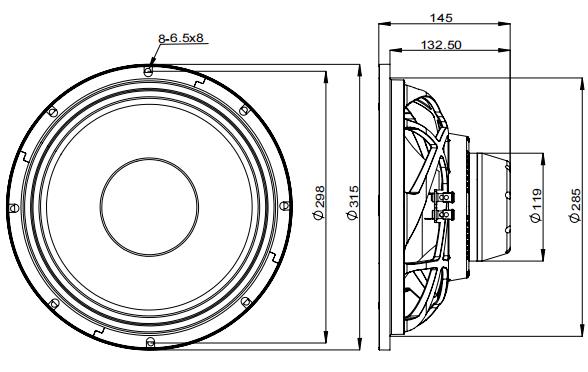
Overall Diameter
315.00 mm
Bolt Circle Diameter
298.00 mm
Baffle Cutout Dia.
285.00 mm
Mounting Holes
8
Depth (flange to rear)
142.50 mm
Net Weight
4.10 kg
Ordering Codes
Product Code
12NPMX8-054
Downloads
Frequency Response & Impedance
2D Drawing
Technical Summary
This design is particularly effective in single or multi-driver bass reflex systems used in professional two-way and multi-way PA systems, powered monitors, and compact bass-reflex enclosures, where extended bandwidth, controlled distortion across the full operating range, and versatile system integration are required.
Enclosure Recommendations
ENCLOSURE RECOMMENDATIONS: 12NPMX8-054
Driver: 12NPMX8-054 (12NPM) — 12" Mid-Woofer
Key T/S: Fs=49.0Hz, Qts=0.31, Vas=63.6L, Sens=97.99dB
Power: AES 450W / Cont 900W / Peak 1800W
Xmax=4.05mm, Sd=531.0cm², Bl=17.3T·m
RECOMMENDED ENCLOSURE TYPE: Bass Reflex (Vented)
PORT RECOMMENDATION: Round port (100mm diameter) — standard for mid-size professional enclosures; good balance of area and packaging
a) High SPL
Net Volume: 55 liters
Tuning (Fb): 53 Hz
Est. -3dB: 49 Hz
HP Filter: 45 Hz (24dB/oct recommended)
Round Port: 100mm dia × 76mm long
Slot Port: 228mm W × 60mm H × 164mm L
Port Velocity: 9.1 m/s
Notes: Strong mid-bass impact, reduced cone excursion, maximum output
b) Balanced Response
Net Volume: 65 liters
Tuning (Fb): 46 Hz
Est. -3dB: 39 Hz
HP Filter: 36 Hz (24dB/oct recommended)
Round Port: 100mm dia × 92mm long
Slot Port: 228mm W × 60mm H × 192mm L
Port Velocity: 8.0 m/s
Notes: General-purpose PA/subwoofer, even response, good transient behavior
c) Extended Low Frequency
Net Volume: 80 liters
Tuning (Fb): 40 Hz
Est. -3dB: 34 Hz
HP Filter: 28 Hz (24dB/oct recommended)
Round Port: 100mm dia × 111mm long
Slot Port: 228mm W × 60mm H × 225mm L
Port Velocity: 6.9 m/s
Notes: Deep bass extension, requires proper system protection below tuning
--- Summary ---
The 12NPMX8-054 is a 12-inch mid-woofer driver designed for professional 2-way and multi-way systems requiring high sensitivity (98 dB 1W/1m) and controlled low-frequency behavior. The motor and suspension are optimized to maintain consistent performance at high drive levels, with controlled excursion and reduced thermal compression during long-term operation.
In bass reflex enclosures, the driver performs best in net internal volumes of 55 to 80 liters, tuned between 40 and 53 Hz. This alignment provides a balanced combination of low-frequency extension, cone control around resonance, and efficient port loading. Lower tuning improves deep bass extension but increases excursion below tuning, requiring appropriate high-pass filtering. Higher tuning increases sensitivity and output in the upper bass region while improving mechanical control.
The driver is intended for use with high-power amplification (approx. 450 W AES / 900 W continuous) and DSP control. A high-pass filter in the range of 28–45 Hz is recommended depending on enclosure tuning, along with proper limiting to manage thermal and mechanical stress. Typical operating bandwidth is 34–2000 Hz, covering bass through upper-mid frequencies for direct integration with a compression driver or tweeter in a two-way or multi-way system.
Frequently Asked Questions
- - Carbon fiber loaded paper cone
- - Very high efficiency
- - Lightweight mechanical structure
ENCLOSURE RECOMMENDATIONS: 12NPMX8-054
Driver: 12NPMX8-054 (12NPM) — 12" Mid-Woofer
Key T/S: Fs=49.0Hz, Qts=0.31, Vas=63.6L, Sens=97.99dB
Power: AES 450W / Cont 900W / Peak 1800W
Xmax=4.05mm, Sd=531.0cm², Bl=17.3T·m
RECOMMENDED ENCLOSURE TYPE: Bass Reflex (Vented)
PORT RECOMMENDATION: Round port (100mm diameter) — standard for mid-size professional enclosures; good balance of area and packaging
a) High SPL
Net Volume: 55 liters
Tuning (Fb): 53 Hz
Est. -3dB: 49 Hz
HP Filter: 45 Hz (24dB/oct recommended)
Round Port: 100mm dia × 76mm long
Slot Port: 228mm W × 60mm H × 164mm L
Port Velocity: 9.1 m/s
Notes: Strong mid-bass impact, reduced cone excursion, maximum output
b) Balanced Response
Net Volume: 65 liters
Tuning (Fb): 46 Hz
Est. -3dB: 39 Hz
HP Filter: 36 Hz (24dB/oct recommended)
Round Port: 100mm dia × 92mm long
Slot Port: 228mm W × 60mm H × 192mm L
Port Velocity: 8.0 m/s
Notes: General-purpose PA/subwoofer, even response, good transient behavior
c) Extended Low Frequency
Net Volume: 80 liters
Tuning (Fb): 40 Hz
Est. -3dB: 34 Hz
HP Filter: 28 Hz (24dB/oct recommended)
Round Port: 100mm dia × 111mm long
Slot Port: 228mm W × 60mm H × 225mm L
Port Velocity: 6.9 m/s
Notes: Deep bass extension, requires proper system protection below tuning
--- Summary ---
The 12NPMX8-054 is a 12-inch mid-woofer driver designed for professional 2-way and multi-way systems...
This design is particularly effective in single or multi-driver bass reflex systems used in professional two-way and multi-way PA systems, powered monitors, and compact bass-reflex enclosures, where extended bandwidth, controlled distortion across the full operating range, and versatile system integration are required.
AES Power: 450 W,
Continuous: 900 W,
Peak: 1800 W.
Sensitivity: 98.00 dB (1W/1m).